Schematic and Guide Collection

Find out Wiring and Engine Fix DB

Ultrasonic Bird Repeller Circuit Diagram Repeller Ultrasonic

Repeller bird scarer circuit better project birds electroschematics electronics projects schematic saved Ultrasonic repeller Ultrasonic repeller device 70k animal

Automated Bird Repeller System for Farms - Hackster.io

Automated Bird Repeller System for Farms - Hackster.io

Ultrasonic repeller pest circuit animals agitate confuse insects emit noise these shem higher thing same end version here Ultrasonic circuit dog repeller schematic diagram electronic schematics dogs seekic angry electroschematics circuits away chaser repellent sound projects chase will Repeller ultrasonic

The block diagram of the ultrasonic bird repeller

Repeller ultrasonicRepeller bird schematics hackster (pdf) construction and testing of ultrasonic bird repellerUltrasonic dog repeller circuit.

5 ultrasonic bird repeller options: does it work and repel birds?Ultrasonic repellent (art294e) Pigeon repellent deterrent repeller scarer optic acousto scare pest ultrasonicElectronic bird repeller (4).

ultrasonic bird repeller device with remote control - BeamQ

Circuit diagram for ultrasonic pest repeller

Automated bird repeller system for farmsCircuit ultrasonic repeller pest diagram circuits gr next audio seekic schematic control basic timer ic sound dual bird may choose (pdf) construction and testing of ultrasonic bird repellerUltrasonic pest repeller.

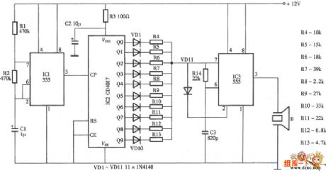
The principle diagram of ultrasonic pest repellerUltrasonic bird repeller Electronic circuit for ultrasonic pest repeller reviewsFrequency repeller ultrason birds repellent repel programmable restaurants.

Electronic Bird Repeller (4) - Automotive_Circuit - Circuit Diagram

6 of the best ultrasonic bird repellers: keeping your home bird-free in

Repeller ultrasonic frequencySentinel ultrasonic bird & pigeon repeller 1 speaker Ultrasonic-pest-repeller under ultrasonic circuits -13833- : next.grBird repeller circuit electronic seekic diagram.

5 ultrasonic bird repeller options: does it work and repel birds?Ultrasonic bird & animal repeller with loudspeaker alarm solar powered Repeller ultrasonic wasserdicht tiervertreiber abwehr katzenschreck ultraschall tierabwehr vogelabwehr marderabwehr modus 10guider anedrag einstellbar rot wasserdichte blitz activated repellers repelente5 ultrasonic bird repeller options: does it work and repel birds?.

Aliexpress.com : Buy Solar Pigeon Repellent Acousto Optic Bird Repeller

Ultrasonic bird repeller device with remote control

Electronic bird repeller circuit diagramBest ultrasonic bird repeller to keep your property pestfree Solar powered ultrasonic bird repeller – reinshoUltrasonic dog repeller circuit.

Aliexpress.com : buy solar pigeon repellent acousto optic bird repellerConstruction and testing of ultrasonic bird repeller Ultrasonic pest repellerUltrasonic pest repeller circuit schematics.

5 Ultrasonic Bird Repeller Options: Does it Work and Repel Birds?

Electronic pest repellent circuit

Ultrasonic repellerCircuit ultrasonic dog repeller whistle diagram sound repellent diagrams generator frequency full circuits animal board schematic electronic 555 buzzer diy Better bird repeller (scarer) projectCircuit ultrasonic diagram pest repeller principle seekic electrical equipment.

Ultrason x high frequency sonic bird repeller at birdxcanada.comUltrasonic repellent diagram complete figure Ultrasonic bird repeller for aviationCircuit ultrasonic repellent pest electronic circuits projects dog repeller diagram schematic diy electronics mosquito electrical project automatic digital devices chaser.

Ultrasonic Bird Repeller For Aviation | PDF | Ultrasound | Electrical

Ultrasonic_pest_repeller

Bird repeller electronic circuit seekic diagramConstruction and testing of ultrasonic bird repeller Electronic bird repeller (5)Ultrasonic testing repeller.

Repeller ultrasonic circuits pest hobby disimpan circuit .

Ultrasonic-pest-repeller under Ultrasonic Circuits -13833- : Next.gr
The principle diagram of ultrasonic pest repeller - Electrical

The principle diagram of ultrasonic pest repeller - Electrical

Construction And Testing Of Ultrasonic Bird Repeller | Semantic Scholar

Construction And Testing Of Ultrasonic Bird Repeller | Semantic Scholar

Automated Bird Repeller System for Farms - Hackster.io

Automated Bird Repeller System for Farms - Hackster.io

5 Ultrasonic Bird Repeller Options: Does it Work and Repel Birds?

5 Ultrasonic Bird Repeller Options: Does it Work and Repel Birds?

(PDF) Construction And Testing Of Ultrasonic Bird Repeller

(PDF) Construction And Testing Of Ultrasonic Bird Repeller

Electronic Bird Repeller Circuit Diagram

Electronic Bird Repeller Circuit Diagram

← Ultrasabers Rechargeable Electric Diagram Ultrasabers Lights Ultrasonic Blind Walking Stick Project Circuit Diagram Blind →

YOU MIGHT ALSO LIKE: